技术支持 / SUPPORT

最新公告

联系我们

联系人:方经理

电话:027-88089919

传真:027-88089919

邮箱:hhrs88089919@163.com

您当前所在位置:首页 > 技术支持

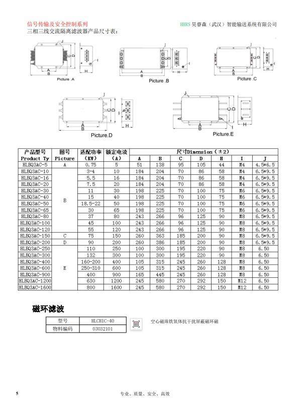
信号传输及安全控制系列

 


 

附件: 16816945132065730.pdf